DOLDR型电动超高真空插板阀产品概述:
DOLDR型电动超高真空插板阀是通过电动装置驱动阀杆带动阀板作上下运动,达到阀门的开启或关闭。阀门用于接通或切断真空管路中的气流。适用介质为纯净空气和非腐蚀性气体,带反馈信号装置。
DOLDR electric ultra-high vacuum gate valve uses electric device to drive the stem, moving valve disc up and down to make the valve opened or closed. It is used to put through or cut off the airflow in vacuum pipeline. Applicable medium can be pure air and noncorrosive gases. With signal feedback device.
DOLDR型电动超高真空插板阀主要技术性能
Main Technical Performance
适用范围:Applicability | 105~1.3×10-7Pa |
阀门漏率:Valve Leak Rate | ≤1.3×10-7Pa.L/S.(DN≤200) |
适用温度:Applicable Temperature | -30~+150℃ |
阀门开启时阀板两侧的压差: | ≤2.7×103Pa. |
电源:Valve of power | 220V/50Hz |
主要零件材料
Materials of Main Parts
阀体、阀板:不锈钢
密封件:氟橡胶、波纹管(轴封)、丁腈橡胶。
Body, and disc: stainless steel
Sealing element: Viton, bellows(shaft seal), NBR
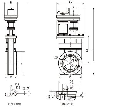
DOLDR型电动超高真空插板阀外形及连接尺寸(mm)

Overall and Connection Dimensions(mm)
Model | DN | A | H | D | Do | D1 | D2 | D3 | L | L1 | G | E | n-d | 法兰标准 |
CCD-50 | 50 | 60 | 92 | 89 | 72.4 | 61.6 | 55.6 | 515 | 153 | 220 | 124 | 8-M8 | GB6071 | |
CCD-63 | 63 | 65 | 105 | 114 | 92.1 | 82.6 | 76.6 | 566 | 180 | 220 | 124 | 8-M8 | ||
CCD-80 | 80 | 65 | 130 | 130 | 110 | 99 | 93 | 603 | 200 | 220 | 124 | 16-M8 | ||
CCD-100 | 100 | 70 | 152 | 152 | 130.2 | 120.7 | 114.7 | 653 | 267 | 220 | 124 | 16-M8 | ||
CCD-150 | 150 | 70 | 202 | 202 | 181 | 171.5 | 165.5 | 771 | 350 | 270 | 150 | 20-M8 | ||
CCD-200 | 200 | 80 | 251 | 253 | 231.8 | 222.3 | 216.6 | 889 | 424 | 270 | 150 | 24-M8 | ||
CCD-250 | 250 | 85 | 300 | 314 | 288 | 308 | 275 | 271 | 1127 | 574 | 350 | 200 | 24-M10 | JB5278 |

全国服务热线



