进口电动角式截止阀概述:
德国多尔德DOLDR进口电动角式截止阀是一种使用电动执行机构驱动的截止阀,其特点是能够控制流体的流动状态。当电动执行机构接收到控制信号后,会驱动阀瓣旋转90度,从而改变阀门的开启或关闭状态。这种阀门通常具有高强度、耐腐蚀性、密封性能好、流阻小、操作灵活、维护方便和使用寿命长等优点,广泛应用于各种工业领域。

进口电动角式截止阀的启闭件是塞形的阀瓣,密封面呈平面或锥面,阀瓣沿流体的中心线作直线运动。阀杆的运动形式有升降杆式和升降旋转杆式两种,分别对应手轮不升降和手轮与阀杆一起旋转升降的情况。
进口电动角式截止阀的密封面在加工精度和材料质量等方面要求很高,保证其密封性能良好。此外,由于其结构简单、体积小、重量轻、操作方便和维护容易等优点,使其在各种流体管道中得到广泛应用。
进口电动角式截止阀的优点主要包括:
结构简单,设计合理,体积小,重量轻,操作方便,流体阻力小。
密封性能好,启闭迅速可靠,可实现远距离控制,维修方便灵活等。
流体阻力小,开闭较省力,介质流向不受限制,可以安装手动操作系统。
适用于公称压力PN1.6,公称通径DN40-600mm的石油气田、化工等管路上作调节和截流装置用。
采用波纹管密封的设计方案,使阀门有较好的耐腐蚀性能;同时由于波纹管与填料之间摩擦力非常小,所以其耐高温性也是其它种类产品所不能比拟的。
进口电动角式截止阀的缺点主要包括:
流体阻力大,开启和关闭时所需力较大。
不适用于带颗粒、粘度较大、易结焦的介质。
调节性能较差。
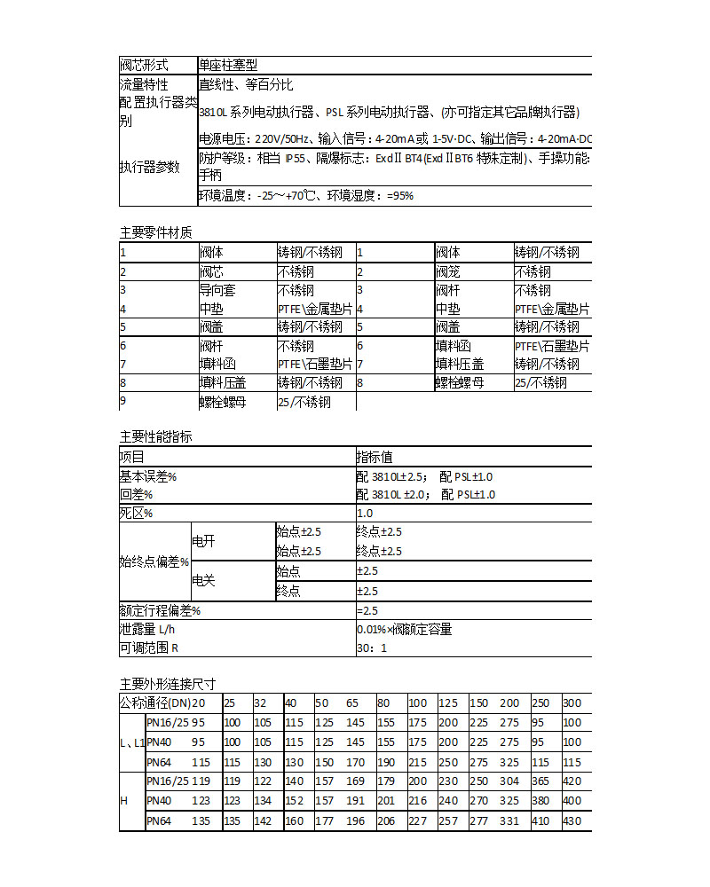
进口电动角式截止阀连接图:


全国服务热线



