进口电动四通球阀概述:
德国多尔德DOLDR进口电动四通球阀是一种具有特殊流道结构的阀门,它由电动执行器、球体、密封件和阀体等组成。这种阀门在工业领域中得到广泛应用,具有快速、准确、可靠的控制特性。
电动四通球阀的特点在于其流道结构,它有四个通道口径均布于球体赤道圆周截面上,当球体沿顺时针或逆时针旋转90度时,能使相对的两个通道实现两两互通。这种阀门的出现,替代了以前需要四个阀门的复杂操作,解决了所占空间大、成本高、操作烦琐等问题。
电动四通球阀的旋转角度为90度,通过电动执行器接收控制信号,电机会带动输出轴旋转,通过输出轴与球体连接实现球体的旋转。当球体旋转时,流体通道的连通状态就会发生改变,从而实现多个通道之间的流量控制。

电动四通球阀适用于液体、气体、粉尘、浆料及含固体颗粒介质的循环系统,如电站机组冷却器正反向循环供水系统。其使用温度范围为-40℃至450℃,电源电压有AC220V、AC380V等多种规格,阀体材质包括碳钢WCB、不锈钢304、316、316L等,密封材料包括PTFE(聚四氟乙烯)、PPL(对位聚苯)、金属密封(硬质合金)等。
此外,电动四通球阀还可以选配防爆功能,防护等级达到IP65(或IP67),具有隔爆标志ExdⅡBT4。也可以选配调节功能,输入输出为4-20mA、O-5V.DC、0-10V.DC等规格。还可以装配手动装置,方便开阀、关阀等功能。
在石油化工行业中,电动四通球阀被广泛应用于控制流体的输送和分配,例如石油、天然气、化学品等。
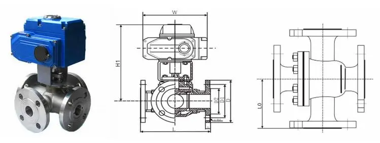
进口电动四通球阀结构图:

电动四通球阀是一种广泛应用于工业领域的控制阀门,它能够实现多个通道的流量控制,并且具有高度精确的开关功能。
在工业自动化控制系统中,电动四通球阀可以用于自动化生产线和机械设备,以便实现对流体的自动控制和操作。
此外,电动四通球阀还可以用于液压设备中,控制液压油的流动方向和压力,以实现液压系统的正常运作。
在化工工艺中,电动四通球阀也可以用于对化工原料、中间体和产物等流体的控制,以满足不同的工艺要求。
同时,电动四通球阀也可以应用于污水处理系统中,处理和分流污水,确保污水能够按照要求进行处理和排放。
总的来说,电动四通球阀在工业领域中具有广泛的应用,可以用于自动化控制、液压系统、化工工艺以及污水处理等方面。

全国服务热线



